Analog Devices Inc. LT8609演示板DC2958A-A/B/C
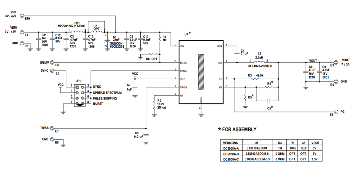
Analog Devices Inc. LT8609演示板DC2958A-A/B/C设计用于评估LT8609A/09A-5/09A-3.3微功耗同步降压稳压器。DC2958A-A用于LT8609A可调输出,DC2958A-B用于LT8609A-5,具有5V固定输出电压。DC2958A-C用于LT8609A-3.3,具有3.3V固定输出电压。这些演示板设计用于5V或3.3V输出,输入电压高达42V。DC2958x演示板在低至3V输入电压下工作,用于压差模式运行。输出电压低于调节点,在压差模式下跟踪输入电压。这些演示板设有EMI滤波器。宽输入电压范围支持各种输入源,如汽车电池和工业电源。特性
- 提供三种组装型号可选:
- DC2958A-A用于LT8609A可调输出
- DC2958A-B用于LT8609A-5,具有5V固定输出电压
- DC2958A-C用于LT8609A-3.3,具有3.3V固定输出电压。
- 设计用于5V或3.3V输出,输入电压高达42V
- 宽输入范围,支持各种输入源
- 安装EMI滤波器
- 典型开关频率 (fsw):2MHz
应用
- GSM transceivers
- General purpose step-down
- Low EMI step-down
性能图表
原理图
发布日期: 2020-12-28
| 更新日期: 2024-12-13
