Analog Devices Inc. EV-ADF4368SD1Z评估板
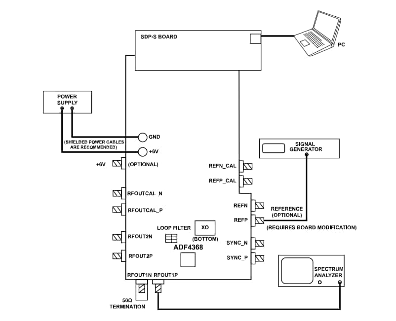
Analog Devices EV-ADF4368SD1Z 评估板用于演示ADF4368小数频率合成器(具有适用于锁相环 (PLL) 的集成压控振荡器 (VCO))。EV-ADF4368SD1Z包含ADF4368 频率合成器,具有集成的VCO、USB接口、电源连接器、板载基准振荡器、传播延迟校准路径和微缩版本A (SMA) 连接器。这些输出与50Ω 传输线路交流耦合,使其输出适用于驱动50Ω 阻抗的仪表。ADI EV-ADF4368SD1Z需要SDP-S 板(套件中未提供)。SDP-S板支持通过ACE软件对EV-ADF4368SD1Z进行软件编程。特性
- 独立板,包括具有集成VCO、USB接口、环路滤波器、板载基准振荡器、传播延迟校准路径和电压稳压器的ADF4368频率合成器。
- 可利用基于Windows®的软件并通过PC来控制频率合成器的功能
- 由外部6V电源供电
必要设备
- 基于Windows的PC,带评估软件用USB端口
- 系统演示平台,仅串行 (SDP-S) EVAL-SDPCS1Z控制器板
- 电源 (6V)
- 频谱分析仪或相位噪声分析仪
- 50Ω端接器
- 低噪声REFIN源(可选)
设置图
PCB布局
发布日期: 2023-07-31
| 更新日期: 2025-03-20
