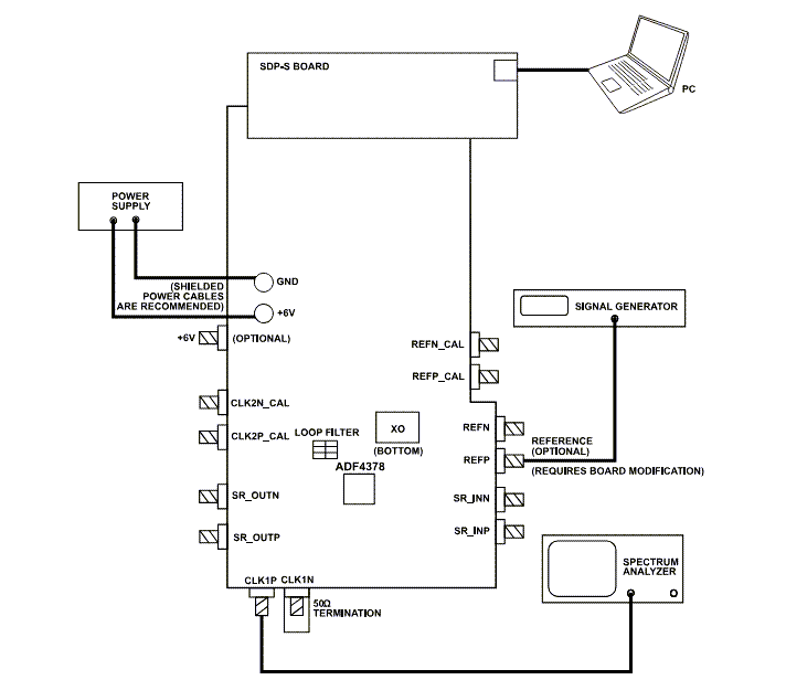
Analog Devices Inc. EV-ADF4378SD1Z 评估套件
Analog Devices EV-ADF4378SD1Z评估套件支持用户评估带有用于锁相环 (PLL) 的集成压控振荡器 (VCO) 的ADF4378频率合成器。EV-ADF4378SD1Z包括带有集成VCO的ADF4378频率合成器、USB接口、电源连接器、传播延迟校准路径、板载基准振荡器,以及超小A型 (SMA) 连接器。套件输出采用50Ω传输线交流耦合,是驱动50Ω阻抗仪器的理想输出。EV-ADF4378SD1Z需要SDP-S控制器板(套件中未提供)。SDP-S通过ACE软件为ADI EV-ADF4378SD1Z提供软件编程。特性
- 独立电路板,包括集成VCO的ADF4378频率合成器、环路滤波器、USB接口、板载基准振荡器、传播延迟校准路径和稳压器
- 基于Windows®的软件允许通过PC控制合成器功能
- 由外部6V电源供电
必要设备
- 基于Windows的PC,带评估软件用USB端口
- 系统演示平台,仅串行 (SDP-S) EVAL-SDPCS1Z控制器板
- 电源 (6 V)
- 50 Ω端接器
- 频谱分析仪或相位噪声分析仪、示波器或数字通信分析仪 (DCA)
- 低噪声REFIN源(可选)
- SYSREF时钟
设置图
布局
发布日期: 2024-05-07
| 更新日期: 2024-06-24
