特性
- 一切自带的评估板,内含带集成VCO的ADF4382A频率合成器、环路滤波器、USB接口、板载基准振荡器、传播延迟校准路径,以及稳压器。
- 基于Windows® 的软件可实现在电脑上控制合成器功能。
- 由外部6V电源供电
应用
- 高性能数据转换器时钟
- 无线基础设施(MC-GSM、5G和6G)
- 测试与测量
必要设备
- 一台带USB™端口的基于Windows的PC,用于评估软件
- 一个系统演示平台,仅串行通信的EVAL-SDP-CS1Z控制器板 (SDP-S)
- 6V电源
- 频谱分析仪或相位噪声分析仪
- 50Ω端接器
- 低噪声输入基准 (REFIN) 源(可选)
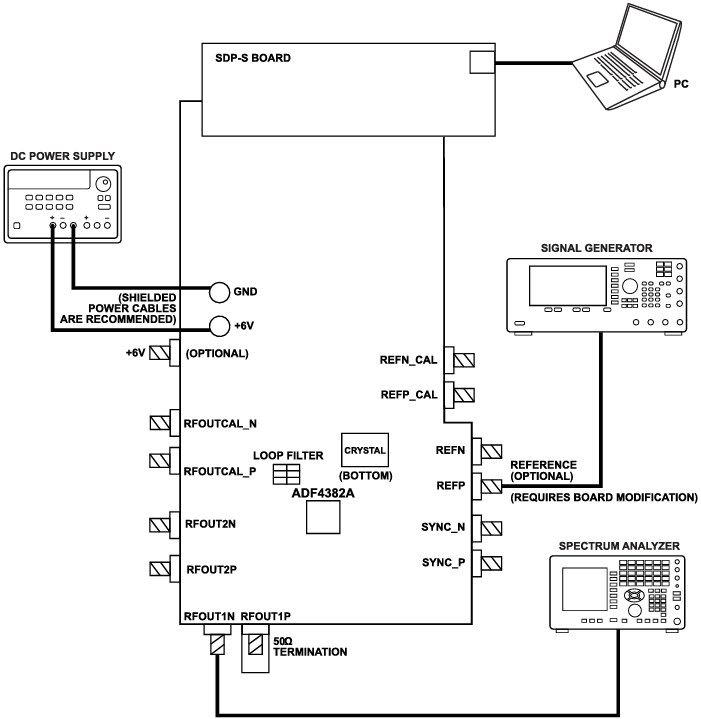
评估板设置图
发布日期: 2024-02-05
| 更新日期: 2024-07-05

