Analog Devices Inc. EV-ADF5355SD1Z 评估板
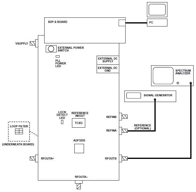
Analog Devices EV-ADF5355SD1Z 评估板有助于设计人员评估 ADF5355 频率合成器的性能。 EV-ADF5355SD1Z 评估板包含 ADF5355 频率合成器、集成 VCO、差分122.88MHz 参考 TCXO、回路滤波器、USB 接口、电源连接器、以及超小型 A 型 (SMA) 连接器。 还包含一根 USB 接口线以连接至 PC USB 端口。 EV-ADF5355SD1Z 评估板与 . EV-ADF5355SD1Z 连接到 SDP 控制器板,该控制器板可通过 USB 2.0. 连接到个人电脑。 评估软件通过 SDP 控制板进行通信。 SDP 控制器板再讲信号传给该评估板。特性
- Self-contained board includes:
- ADF5355 frequency synthesizer with integrated voltage-controlled oscillator (VCO)
- Differential 122.88MHz temperature-controlled crystal oscillator (TCXO)
- Loop filter (5kHz)
- USB interface
- Voltage regulators
- Windows-based software allows control of synthesizer functions from a PC
- Externally powered by 6V
套件内容
- EV-ADF5355SD1Z
- USB cable
Equipment Needed
- Windows-based PC with USB port for evaluation software
- System demonstration platform, serial only (SDP-S) EVAL-SDP-CS1Z controller board Power supply (6V)
- Spectrum analyzer 50Ω terminators
Evaluation Board Setup
发布日期: 2016-08-30
| 更新日期: 2022-03-11
