Analog Devices Inc. EVAL-AD4129-8WARDZ评估套件

Analog Devices Inc. EVAL-AD4129-8WARDZ评估套件采用AD4129-8 16位、超低功耗、低噪声模数转换器 (ADC)。EVAL-AD4129-8WARDZ板通过连接到EVAL-SDP-CK1Z主板连接到PC的USB端口。通过PC将5V USB电源调节至3.3V,为AD4129-8供电并支持所有必要的元件。

AD4129-8 ACE插件全面配置AD4129-8器件寄存器功能,并提供波形图、直方图和相关噪声分析等直流时域分析,用于评估模数转换器性能。

Analog Devices Inc. EVAL-AD4129-8WARDZ是一款用于评估ADC特性的评估板。用户PC可执行软件借助EVAL-SDP-CK1Z系统演示平台 (SDP) 板通过USB控制AD4129-8。

特性

  • 用于AD4129-8的全功能评估板
  • PC控制搭配Analog Devices, Inc.系统演示平台(EVAL-SDP-CK1Z
  • 用于控制和数据分析的PC软件(时域)
  • 独立工作能力

必要设备

  • EVAL-AD4129-8WARDZ评估板
  • EVAL-SDP-CK1Z 系统演示平台
  • 直流信号源
  • USB电缆
  • 运行Microsoft Windows的PC(带USB 2.0端口)

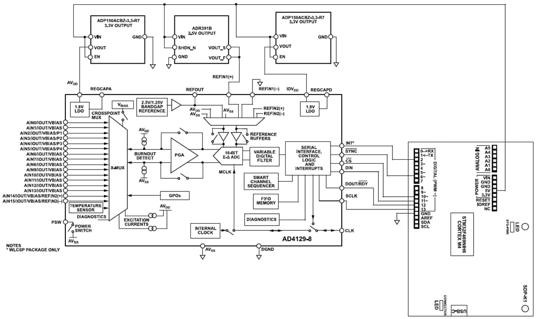
框图

框图 - Analog Devices Inc. EVAL-AD4129-8WARDZ评估套件
发布日期: 2023-11-21 | 更新日期: 2023-12-14