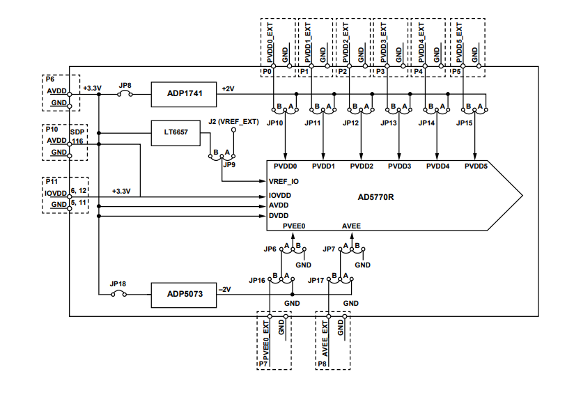
EVAL-AD5770RSDZ板实现了一套电源解决方案,其使用ADP5073开关稳压器从+3.3V电源生成-2V电压,并使用ADP1741线性稳压器从+3.3V电源生成+2V电压。另外,AD5770R还可使用通过九个板载连接器(P0至P8)连接的线性电源。AD5770R包含一个1.25V的内部精密电压基准。EVAL-AD5770RSDZ板包含一个额外的1.25V、0.5ppm/°C电压基准。
AD5770R评估软件提供一个直观的图形用户界面 (GUI),用于通过串行外设接口 (SPI) 配置和控制AD5770R。
特性
- 用于AD5770R的全功能评估板
- PC控制软件
- PC控制配合Analog Devices® Inc.的EVALSDP-CB1Z系统开发平台一起使用
套件内容
- EVAL-AD5770RSDZ评估板
- USB电缆
评估软件
框图
发布日期: 2019-09-30
| 更新日期: 2024-03-11

