Analog Devices Inc. EVAL-ADA4620-1 评估板
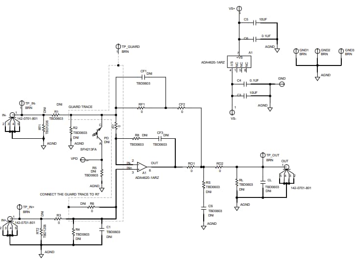
Analog Devices Inc. EVAL-ADA4620-1评估板专为ADA4620-1而设计,这是一款采用8引线SOIC封装的36V精密JFET运算放大器。 该电路板预配置了ADA4620-1运算放大器作为单增益跟随器缓冲器,并配有SMA连接器,便于连接输入和输出。这有助于与测试和测量设备或外部电路进行有效连接。 这块四层评估板的接地层、元器件布局和电源去耦经过优化,可实现最大的电路灵活性和性能。 EVAL-ADA4620-1电路板包括光电二极管配置和滤波器设计。 该评估板支持各种应用,包括有源回路滤波器、跨阻抗放大器 (TIA) 和电荷放大器,并带有用于定制的未填充焊盘。特性
- ADA4620-1的全功能评估板,这是一款36V精密JFET运算放大器
- 用户自定义电路配置的规定
- 实现快速原型设计
- 为快速评估光电二极管预留占位面积
- 边缘安装连接器和测试点装置
应用
- 有源回路滤波器
- 跨阻抗放大器 (TIA)
- 电荷放大器
- 电气测试与测量
- 科学和野外仪器
- 半导体测试
EV电路板连接
概述
原理图
发布日期: 2025-01-15
| 更新日期: 2025-02-25
