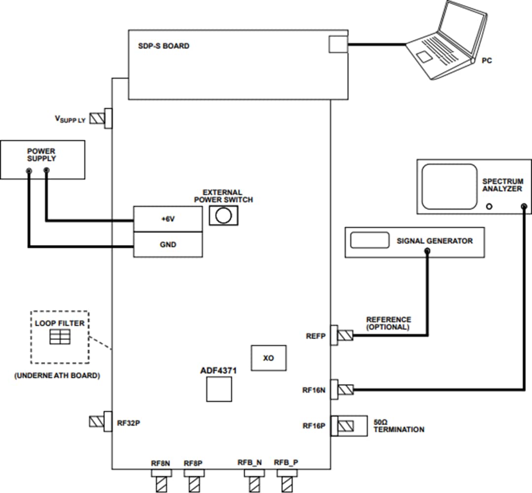
EV-ADF4371SD2Z/EV-ADF4372SD2Z评估板需要SDP-S(系统演示平台串行)控制器板 (EVAL-SDP-CS1Z),套件中未提供该板。SDP-S控制器板基于USB转串口引擎,可通过USB 2.0高速端口连接PC。SDP-S控制器板支持对EV-ADF4371SD2Z或EV-ADF4372SD2Z进行软件编程。
特性
- 独立电路板,包括预装的ADF4371频率合成器、集成VCO、180kHz环路滤波器、USB接口和稳压器
- 可利用基于Windows的软件并通过PC来控制频率合成器的功能
- 由外部6V电源供电
- 需要SDP-S控制器板(EVAL-SDP-CS1Z,套件中未提供)
必要设备
- 设备要求
- 基于Windows®的PC,带评估软件用USB端口
- 系统演示平台,仅限串口 (SDP-S)
- EVAL-SDP-CS1Z控制器板
- 电源 (6V)
- 频谱分析仪
- 50Ω端接器
- 低噪声REFIN源(可选)
- 所需文件
- ADF4371或ADF4372数据手册
- EV-ADF4371SD2Z或EV-ADF4372SD2Z用户指南
- 所需软件
- ACE软件,1.10版或更高版本
- ADF4371或ADF4372插件,最新版本
设置图
发布日期: 2019-03-05
| 更新日期: 2025-03-25

