特性
- ADM3058E 12 Mbps隔离CAN FD收发器
- 工业工作温度范围:-40 °C 至 +125 °C
- 具有低辐射发射的2层PCB,符合EN 55022 B类标准
- LDO稳压器电源电压范围:6 V至9 V
- 适用于TXD引脚和RXD引脚信号的SMA连接器
应用
- CANOpen、DeviceNet和其他CAN总线设施
- 工业自动化
- 过程控制和楼宇控制
- 运输和基础设施
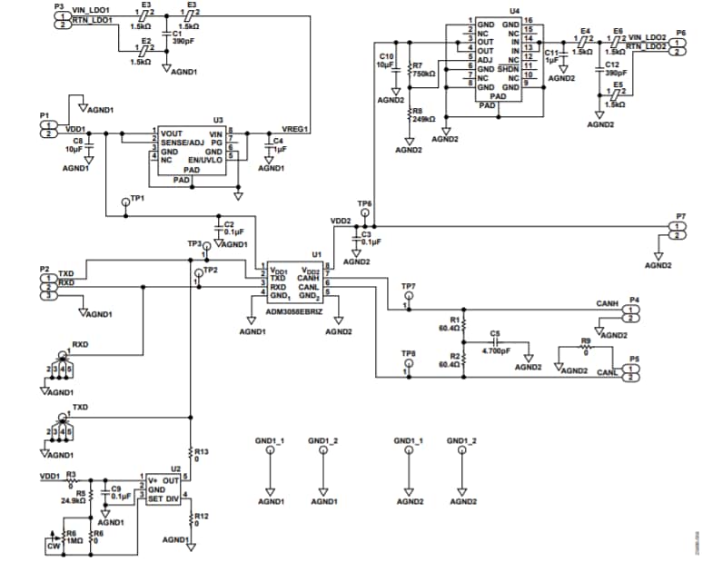
评估板原理图
发布日期: 2020-08-03
| 更新日期: 2024-10-25

