ADI EVAL-ADXL314Z评估板非常适合用于评估现有系统中的ADXL314。EVAL-ADXL314Z的刚度和小尺寸可最大限度地减少电路板对系统和加速度测量的影响。
特性
- 2组带有间距的过孔,用于安装5引脚接头
- 可轻松连接到原型制作板或PCB
- 小尺寸和板刚度对系统和加速测量的影响极小
套件内容
- EVAL-ADXL314Z评估板
- 10引脚Harwin连接器, M80-8541042
布局
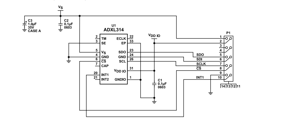
示意图
发布日期: 2022-10-24
| 更新日期: 2022-10-27

