Analog Devices Inc. EVAL-CN0418-ARDZ扩展板
Analog Devices Inc. EVAL-CN0418-ARDZ扩展板 提供完整、完全隔离且高度灵活的4通道模拟输出系统。该系统适用于可编程逻辑控制器 (PLC) 和分布式控制系统 (DCS)。这非常适合用于需要与HART兼容的±5V、±10V和4mA 至20mA 电流输出的应用。 保护全部输出免受瞬态影响,适用于恶劣的工业环境。 与HART兼容提供了一种简单易用的完整现场通信解决方案,不但成本低,而且性能极其可靠。 该电路由标准24V 总线电源供电,带有板载滤波和保护电路。该模块易于集成到任何现有系统中,因为很多工厂和工业环境由24V 标准总线为其PLC/DCS供电。 该模块也可以由12VDC至28VDC其他标准电源供电。特性
- 提供完整、完全隔离且高度灵活的4通道模拟输出系统
- 适用于可编程逻辑控制器 (PLC) 和分布式控制系统 (DCS)
- 保护全部输出免受瞬态影响,适用于恶劣的工业环境
- 与HART兼容提供了一种简单易用的完整现场通信解决方案,不但成本低,而且非常可靠
- 电路由标准24V 总线电源供电,带有板载滤波和保护电路
- 易于集成到任何现有系统中,因为很多工厂和工业环境由24V 标准总线为其PLC/DCS供电
- 也可以由12VDC至28VDC其他标准电源供电
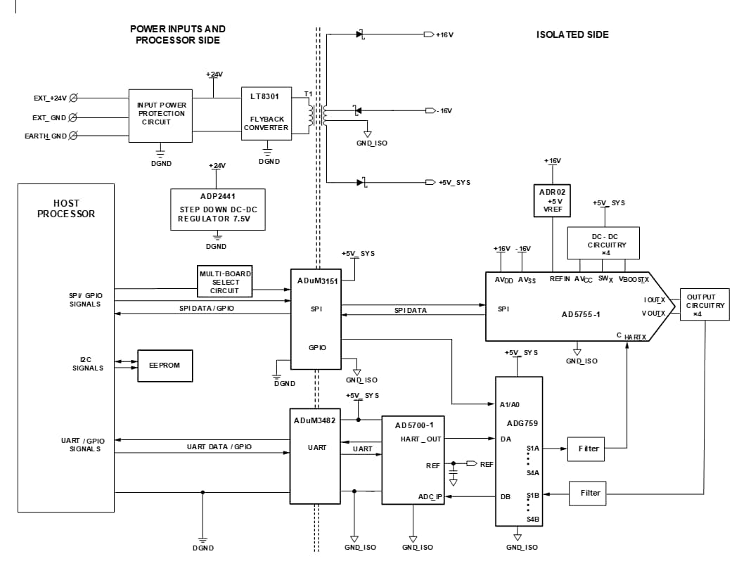
框图
Additional Resource
发布日期: 2019-07-30
| 更新日期: 2024-03-04
