Analog Devices Inc. EVAL-CN0561-ARDZ数据采集 (DAQ) 系统
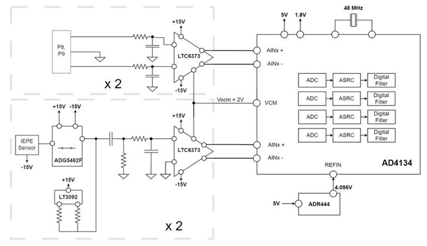
Analog Devices EVAL-CN0561-ARDZ数据采集 (DAQ) 系统是一款高性能、无混叠、24位、四通道系统,设计目的是与集成电子压电 (IEPE) 传感器进行连接。该系统以AD4134精密ADC为核心,提供宽带宽和高动态范围,非常适合振动传感和基于状态的监控应用。Analog Devices EVAL-CN0561-ARDZ支持从直流到390kHz的交流耦合测量,能够进行详细的频域分析,用于故障检测和预测性维护。该板集成了LTC6373可编程增益放大器和ADR444电压基准等关键元器件,并包含强大的故障保护电路。EVAL-CN0561-ARDZ与Arduino和FMC连接器兼容,可灵活集成到各种开发平台,包括基于FPGA的系统。特性
- 无混叠四通道数据采集
- 无混叠双通道兼容IEPE的振动传感器接口
- 不认通道的激励源和传感器偏置
- 模拟过压和欠压保护(OVP和UVP)
- 传感器频率响应范围:直流至390kHz
- 同步、全带宽数据的测量与捕获
- 所有特性在-40°C至+85°C范围经过测试的数据采集解决方案
- 吞吐量高达1496kSPS
- 无混叠、阻性输入,无需低通滤波器或驱动器
- 通过与Arduino兼容的开发板直接连接并供电
应用
- 工业自动化和控制系统
- 电网和能源监控
- 医学仪器仪表
- 振动和声学分析
- 科学研究和实验室仪器仪表
- 嵌入式系统原型设计和评估
简化信号链原理图
硬件连接
发布日期: 2025-07-31
| 更新日期: 2025-08-06
