特性
- 用于评估CN0582
- 四通道同步数据采集
- 板载IEPE激励
- 信号发生器
- 单音调或线性扫描
- 电子环回测试
- 振动台激励
- CN0582评估软件
- 系统配置
- 图形显示
- 文件导出(数据采集、振动测试)
- IEPE输入通道偏移
规范
- 模拟输入
- IEPE
- 满量程:0.1mV至10V
- 最大偏置:13VDC
- 典型电流源:4mA
- 4mA至20mA (CH3)
- 电阻:249Ω
- 功率:0.25W
- THD+N:-87dB典型值(-84dB最大值),3.3Vp-P(1kHz时)
- SNR:99dB(典型值),10Vp-p(20Hz至20kHzs时)
- 误差精度:1%(>100mV时)
- IEPE
- 功率要求
- 输入电压范围:4.5V至6V(典型值5V)
- 输入电流范围:500mA至600mA
视频
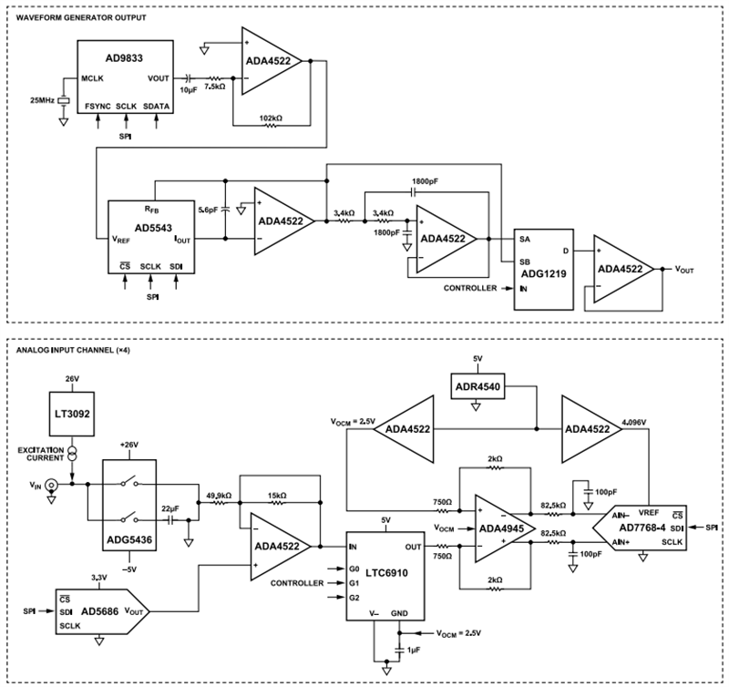
系统框图
发布日期: 2022-12-05
| 更新日期: 2024-01-04

