ADA4510-2 EVAL-KW4501Z是一款双通道、高精度、低失调电压、低噪声、轨到轨输入和输出运算放大器。该运算放大器具有6V至40V的宽电源电压范围,可由ADALM2000的板载±5V电压电源供电。EVAL-KW4501Z采用ADA4510-2的8引脚SOIC版本,适用于具有相同占位和引脚配置的其他IC。
特性
- 支持快速测量运算放大器的集成噪声
- 适用于引脚配置与DUT类似的其他8引脚SOIC双通道运算放大器
- 即插即用功能便于连接到ADALM2000,以便在 Scopy(ADALM2000的配套软件)中运行快速测试和测量
应用
- 噪声测量和分析
- 音频系统
- 无线通信系统
- 医学仪表
- 信号处理
- 电源和电压调节系统
- 半导体测试和开发
- 消费类电子产品
- 高精度工业设备
必要设备
- ADALM2000 主动学习模块
- USB-A转Micro-USB电缆
- 计算机
概述
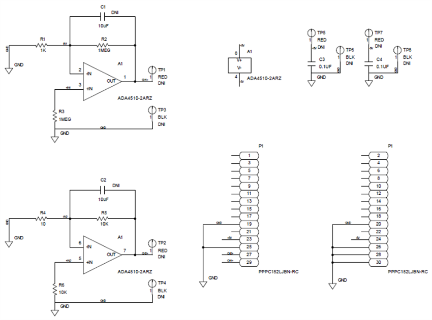
每个通道的电路配置
原理图
发布日期: 2025-02-20
| 更新日期: 2025-02-25

