Analog Devices Inc. EVAL-LTC3313EV-A-Z评估板
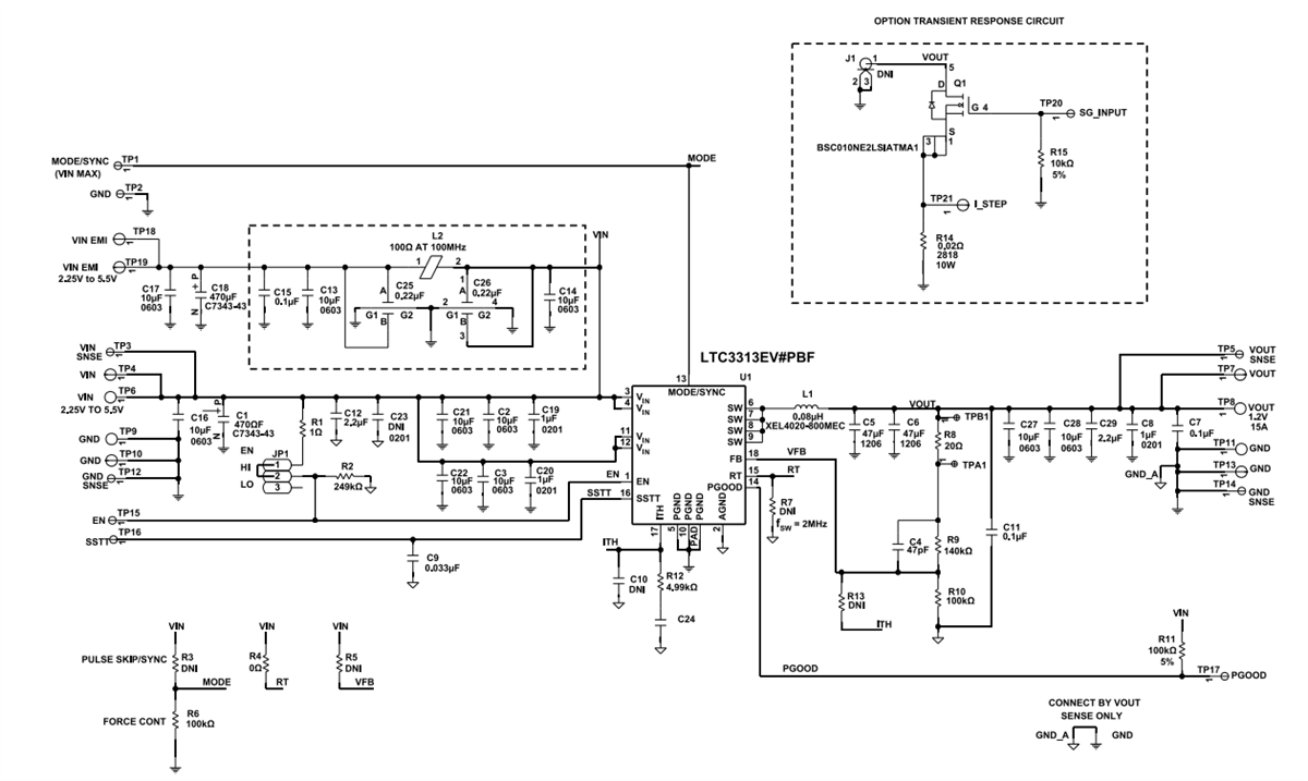
Analog Devices Inc. EVAL-LTC3313EV-A-Z评估板设计用于在强制连续模式下工作,开关频率为2MHz。该评估板采用LTC3313同步降压Silent Switcher® ,可用作1.2V、15A输出降压稳压器。EVAL-LTC3313EV-A-Z板还可以在不同开关频率或脉冲跳跃模式下运行。LTC3313振荡器还可通过采用EVAL-LTC3313EV-A-Z默认设置的MODE/SYNC塔同步到外部时钟。该评估板通过EMI滤波器降低传导EMI,可通过在VIN EMI端子上施加输入电压包含该滤波器。LTC3313是一款单片、恒定频率、电流模式降压直流-直流转换器。该直流-直流转换器支持0.5V至输入电压 (VIN) 的输出电压 (VOUT),工作频率范围为500kHz至5MHz。该直流-直流转换器采用Silent Switcher技术,优化了快速电流环路,可最大限度地轻松降低EMI和EMC辐射。
特性
- 包含瞬态电路,用于负载瞬态评估
- 包含EMI滤波器,可降低EMI辐射测试的噪声
- MODE引脚上拉选项,用于脉冲跳跃模式评估
规范
- 输入电压范围:2.25V至5.5V
- 输出电压范围:1.176V至1.224V
- 输出电流:15A
- 开关频率范围:1.8MHz至2.2MHz
- 效率:92.5%
示意图
其他资源
发布日期: 2023-03-05
| 更新日期: 2023-03-07
