adi EVAL-LTC7892-BZ提供高性能、高性价比的解决方案,可实现48V输出,并可轻松修改以调节1.2V至90V的输出电压。
特性
- GaN驱动技术针对GaN场效应晶体管进行了全面优化
- 输出电压高达100 V
- 宽VIN 范围:4V至60V,启动后工作电压低至1V
- 无需捕获、夹钳或自举二极管
- 内部智能自举开关可防止高侧驱动器电源过度充电
- 电阻器可调死区时间
- 低工作IQ :15μA
- 分离输出栅极驱动器,可实现可调导通和关断驱动器强度
- 精确的可调驱动器电压和UVLO
- 可编程频率(100 kHz至3 MHz)
- 可同步频率(100kHz至3MHz)
- 扩频调频
- 40引脚(6mmx6mm)侧面可湿QFN封装
- 符合汽车应用类AEC-Q100标准
应用
- 汽车和工业电源系统
- 军用航空电子设备和医疗系统
- 电信电源系统
资源
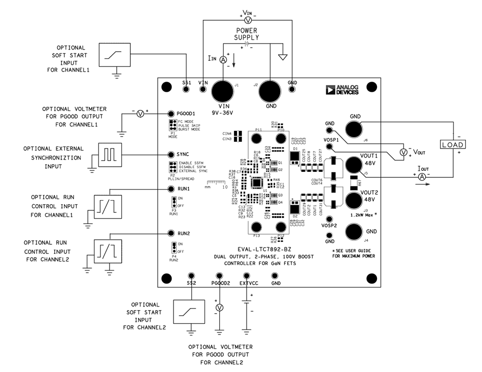
电路板连接
布局
发布日期: 2025-01-29
| 更新日期: 2025-03-11

