特性
- 设计用于实验室仪器
- 可测量波形响应、瞬时响应和输出阻抗
- 具有较高的可移植性
- USB供电设备
- 兼容ADALM2000模块
- 配有用户友好型界面和软硬件文档,可轻松评估电源设计
- 每个电流探头在静止空气中可作为高达8W的DC负载使用
套件内容
- EVAL-LTPA-KIT基板
- LT8642A演示板
- 内插器板
- 接口A板
- 接口B板(5件)
- 接口C板
- 连接器插座(2个)
- 2" 16针扁平电缆
- 8" 14针扁平电缆
- 电流探头
- 1 A电流探头
- 10A电流探头
- 50A电流探头
- 100 A电流探头
视频
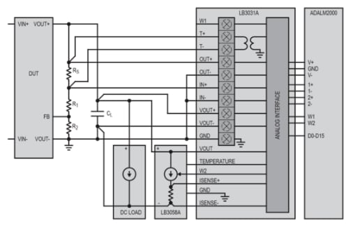
方框图
发布日期: 2025-01-29
| 更新日期: 2025-12-03

