Analog Devices Inc. EVAL-LTPA-RL2000 DC效率计
Analog Devices EVAL-LTPA-RL2000 DC效率计设计用于与LTpowerAnalyzer®套件(EVAL-LTPA-KIT)搭配使用。ADI EVAL-LTPA-RL2000是一款紧凑型实验室仪器,用于在多个负载电流值下评估电源设计的效率。RL2000具有两个电压输入和两个电流输入,能够同时测量输入和输出功率,最大测量功率可达150W。该DC效率计的电压输入测量范围为±125V,电流输入和负载测量范围为10µA、100µA、1mA、10mA、100mA、1A、10A和30A。为了方便使用,RL2000实现了自动量程功能,可基于测量的输入自动切换到最合适的量程。特性
- 搭配LTpowerAnalyzer套件(EVAL-LTPA-KIT)使用
- 2个隔离电压测量通道
- 量程:±125VDC
- 分辨率:1 mV
- 阻抗:2MΩ
- 0.01%读数 + 0.01%量程精度
- 1个隔离式电流测量通道,可编程压降
- 直流输入:30A
- 可选10µA、100µA、1mA、10mA、100mA、1A、10A和30A
- 分辨率:10nA、10nA、100nA、1µA、10µA、100µA、1mA或1mA
- 0.025%读数 + 0.01%量程精度
- 0.01%读数 + 0.01%量程伺服电压精度
- 压降范围:0V至5V
- 关闭温度:+70°C
- 1x隔离式可编程电流负载
- 直流输入:30A
- 可选10µA、100µA、1mA、10mA、100mA、1A、10A和30A
- 分辨率:10nA、10nA、100nA、1µA、10µA、100µA、1mA或1mA
- 0.025%读数 + 0.01%量程精度
- 150 W 的最大功率
- 75 V 负载电压
- 关闭温度:+70°C
- 自动温度监测和热管理
- 可使用多个仪表来支持多输入或大电流 (>30A) 应用
- USB Type-C®接口
应用
- DC/DC转换器的评估
- 电源测试
- 嵌入式系统中的能量优化
- 电源管理IC基准测试
- 实验室和研发环境
- 汽车和工业电子设备
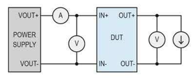
通用测试设置
典型硬件设置
发布日期: 2025-12-03
| 更新日期: 2025-12-10
