Analog Devices Inc. HMC1114功率放大器

Analog Devices HMC1114功率放大器设计为氮化镓 (GaN) 宽带放大器。HMC1114放大器工作带宽为2.7GHz至3.8GHz,功率达10W,功率附加效率 (PAE) 超过50%,增益平坦度为±0.5dB。该放大器可实现41.5dBm PSAT(28V、150mA电源时)。此外,该放大器的信号增益为35dB(典型值),高功率增益为25.5dB(实现饱和输出功率)以及IP3为44dBm(典型值)。HMC1114功率放大器非常适合用于脉冲和连续波应用。这些应用包括无线基础设施、雷达、公共移动无线电和通用放大。

特性

  • 饱和输出功率高 (PSAT):41.5dBm(典型值) 
  • 小信号增益高:35dB(典型值)
  • 高功率增益实现饱和输出功率:25.5dB(典型值)
  • 带宽:2.7GHz至3.8GHz
  • 功率附加效率 (PAE) 高:54%(典型值)
  • 高输出IP3:44dBm(典型值) 
  • 电源电压:VDD = 28V(150mA时)
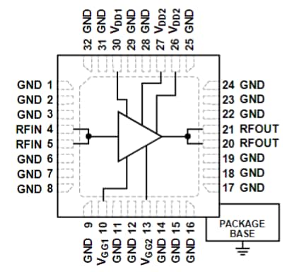
  • 32引脚、5mm × 5mm LFCSP_CAV封装

应用

  • 延长公共移动无线电的电池工作寿命
  • 针对无线基础设施的功率放大器级
  • 测试与测量设备
  • 商用和军用雷达
  • 通用发射机放大

HMC1114功能框图

框图 - Analog Devices Inc. HMC1114功率放大器
发布日期: 2017-09-01 | 更新日期: 2022-04-25