Analog Devices Inc. HMC3716 HBT 数字鉴频鉴相器
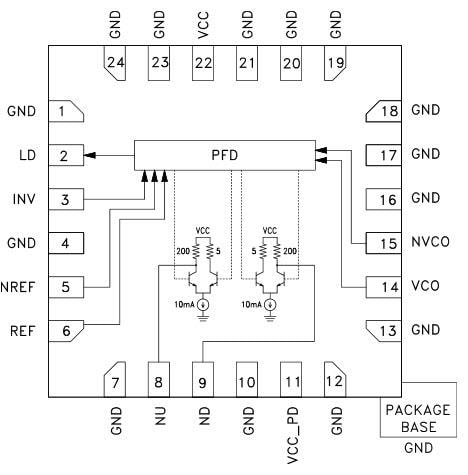
Analog Devices HMC3716 HBT 数字鉴频鉴相器的工作频率范围为 10MHz 至 1300MHz,设计用于低噪声合成器应用。 HMC371 鉴频鉴相器具有高工作频率和 -153dBc/Hz 超低相位噪底(10kHz偏置时,100MHz)。 这些性能特性使得合成器具有宽环路带宽和低分频数,从而实现快速开关和极低相位噪声。 与差分环路放大器结合使用时,HMC3716LP4E 可以生成输出电压,以便设计人员将其用于锁相 VCO 为参考振荡器。 HMC3716 采用 24 引脚、4 x 4mm 无引线 QFN 表面贴装封装,带有裸露接地焊盘以改善射频和散热性能。 HMC 3716 HBT 数字鉴频鉴相器非常适合用于点对点无线电、卫星通信系统、军事应用和 Sonet 时钟生成。HMC3716 is housed in a 24-pin, 4mm x 4mm leadless QFN surface-mount package with an exposed ground paddle to improve RF and thermal performance.
特性
- Ultra-low SSB Phase Noise Floor
- -153dBc/Hz @ 10kHz offset @ 100MHz
- Integrated Output Resistors
- Improved Input Sensitivity
- Lock Detect and Invert Functionality
- 24-Pin 4 x 4mm SMT Package
应用
- Point-to-Point Radios
- Satellite Communication Systems
- Military Applications
- Sonet Clock Generation
Functional Block Diagram
发布日期: 2016-09-30
| 更新日期: 2022-03-11
