Analog Devices Inc. HMC451 GaAs pHEMT MMIC放大器
Analog Devices Inc. HMC451 GaAs pHEMT MMIC放大器是一款紧凑的中等功率放大器,采用符合RoHS指令的裸片、SMT-16和QFN-16封装。HMC451放大器的工作频率范围为5GHz至20GHz,具有高达22dB增益、高达+22dBm饱和功率以及+5.0V单电源电压(高达24% PAE)。该器件在整个工作频段内具有一致的增益和输出功率,因而可以在多个无线电频段使用一个通用的驱动器/LO放大器。该款50Ω匹配放大器无需任何外部元件,且射频I/O经过直流阻断,因此非常适合用作HMC SMT混频器的线性增益模块或LO驱动器。裸片HMC451外形紧凑,因此非常适合用于集成到多芯片模块 (MCM) 中。由于采用HMC451LC3 QFN-16和HMC451LP3 SMT-16封装,因此可以使用自动表面贴装拾取贴装制造技术。
特性
- 增益
- HMC451: 22dB
- HMC451LC3: 19db
- HMC451LP3: 18dB
- 饱和功率
- HMC451:+22dBm (24% PAE)
- HMC451LC3:+21dBm (21% PAE)
- HMC451LP3:+21dBm (18% PAE)
- 输出IP3
- HMC451: +30dBm
- HMC451LC3: +30dBm
- HMC451LP3: +28dBm
- 单电源供电
- HMC451: +5V @ 127mA
- HMC451LC3: +5V @ 114mA
- HMC451LP3: +5V @ 120mA
- 封装选项
- HMC451:裸片
- HMC451LC3: SMT-16
- HMC451LP3: QFN-16
- 封装尺寸
- HMC451: 1.27mm x 1.27mm
- HMC451LC3: 3mm x 3mm
- HMC451LP3: 3mm x 3mm
应用
- 点对点无线电
- 微波无线电和VSAT
- 军事和太空
- 测试设备和传感器
- 光纤
- 用于HMC混频器的LO驱动器
HMC451功能图
HMC451LC3功能图
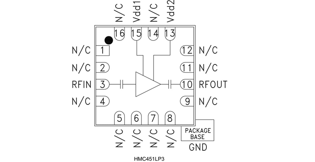
HMC451LP3功能图
View Results ( 8 ) Page
| 物料编号 | 数据表 | 描述 | 增益 |
|---|---|---|---|
| HMC451LC3 | ![]() |
射频放大器 Medium pow amp SMT, 5 - 20 GHz | 19 dB |
| HMC451LP3 | ![]() |
射频放大器 GaAs pHemt MMIC Med PA, 5 - 20 GHz | 18 dB |
| HMC451LC3TR-R5 | ![]() |
射频放大器 Medium pow amp SMT, 5 - 20 GHz | |
| HMC451LP3E | ![]() |
射频放大器 GaAs PHEMT MMIC Med PA, 5 - 18 GHz | 18 dB |
| HMC451LP3ETR | ![]() |
射频放大器 GaAs PHEMT MMIC Med PA, 5 - 18 GHz | 18 dB |
| HMC451LC3TR | ![]() |
射频放大器 Medium pow amp SMT, 5 - 20 GHz | 19 dB |
| HMC451-SX | ![]() |
射频放大器 5-20 GHz pHEMT Driver amp | 22 dB |
| HMC451LP3TR | ![]() |
射频放大器 GaAs pHemt MMIC Med PA, 5 - 20 GHz |
发布日期: 2019-05-08
| 更新日期: 2024-01-04

