ADI HMC8074四频带MMIC VCO支持+4.75V电源电压,各射频输出的输出功率分别为-5dBm至+6dBm(典型值)。
该压控振荡器采用无引线QFN 6x6mm表面贴装封装,无需外部匹配元件。
特性
- 双输出
- RF1=-5dBm至+6dBm
- RF2=-15dBm至-4dBm
- 四个独立的VCO,带通用射频和调谐端口
- 无需外部谐振器
- 36mm2 40引脚6x6mm SMT封装
应用
- 低噪声四频带MMIC VCO,用于:
- 测试设备和工业控制
- VSAT无线电
- 点对点/多点无线电
- 军事最终用途
其他资源
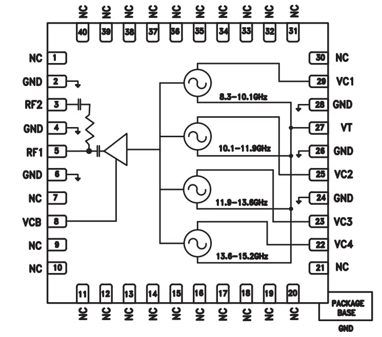
功能图
SSB相位噪声对比调谐电压
发布日期: 2021-09-17
| 更新日期: 2022-03-11

