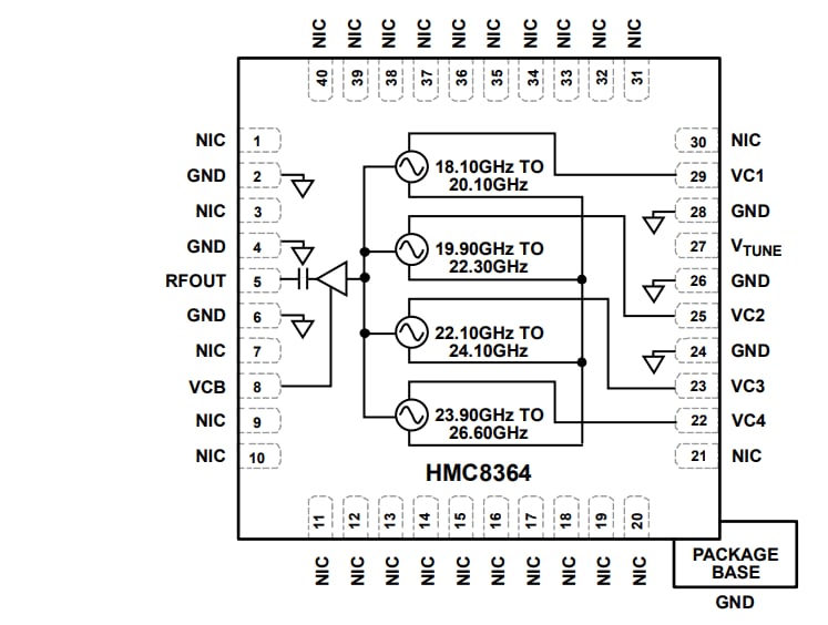
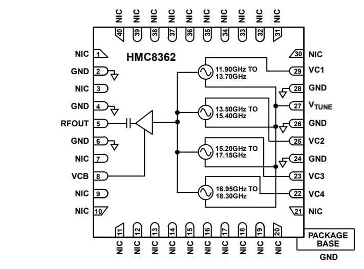
调谐端口是所有VCO内核的共同选择,可简化锁相环 (PLL) 反馈路径的设计。HMC8364还具有99mA低典型电流消耗,适合用于功耗敏感型应用。相比之下,HMC8362可为功耗敏感型应用提供72mA低典型电流消耗。
ADI HMC8362/HMC8364 VCO集成了谐振器、负电阻器件和变容二极管。该振荡器的单片结构可实现极低的相位噪声和最佳温度稳定性,并且不受振动和过程变化的影响。
HMC836x VCO采用单个6mm × 6mm表面贴装引线框架芯片级封装 (LFCSP),无需外部匹配元件。
特性
- 由4个窄带VCO组成,具有一致的灵敏度和频率
- 所有4个VCO通用射频和调谐端口
- 射频输出由没有次谐波振荡的基本振荡器供电
- 射频输出功率高达4dBm
- 电源静音功能
- 无需外部谐振器
- 40引脚,6mm×6mm LFCSP封装
应用
- 电气测试与测量
- 工业和医疗仪表
- 点对点和多点无线电
- 航空航天与国防
- 无线通信基础设施
其他资源
HMC8362框图
HMC8364框图
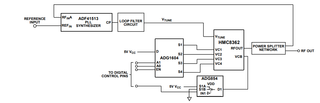
典型应用图
发布日期: 2020-11-04
| 更新日期: 2024-12-03

