Analog Devices Inc. HMC952ALP5GE射频放大器
Analog Devices HMC952ALP5GE是一款四级GaAs pHEMT MMIC中功率放大器。 HMC952ALP5GE放大器设有温度补偿片上功率检波器,工作频率范围为8GHz至14GHz。 HMC952ALP5GE的射频输入/输出内部匹配至50Ω。HMC952ALP5GE放大器采用+6V电源工作,具有32dB的高增益和+34.5dBm的饱和输出功率 (26% PAE)。 HMC952ALP5GE的IP3高达+43dBm,非常适合用于线性应用,例如要求+34.5dBm有效饱和输出功率的点对点以及点对多点无线电或SATCom应用。特性
- +35 dBm psat @ 26% PAe
- High P1dB output power: +34dBm
- High Gain: 32dB
- High output IP3: +43dBm
- Supply voltage: Vdd = +6V @ 1400mA
- 50Ω matched input/output
应用
- Point-to-point radios
- Point-to-multipoint radios
- SATCOM
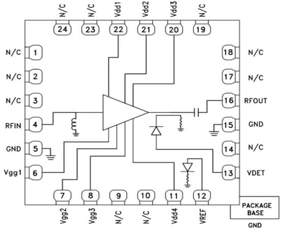
Block Diagram
发布日期: 2016-12-02
| 更新日期: 2022-03-11
