Analog Devices Inc. HMC985A GaAs电压可变衰减器
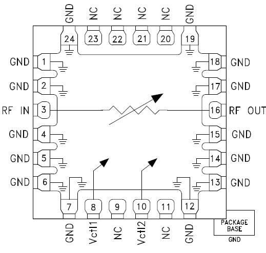
Analog Devices HMC985A衰减器属于吸收式GaAs MMIC电压可变衰减器 (VVA),工作频率为10GHz至50GHz。该衰减器非常适合用于由模拟直流控制信号在35dB-40dB动态范围内控制射频信号电平的应用。HMC985A包括两个分流型衰减器,分别由Vctl1和Vctl2两个模拟电压控制。将首个衰减阶段的Vctl1从-5V调整至0V,Vctl2固定为-5V,可以在+32dB输入IP3时实现出色的线性性能。连接Vctrl1和Vctrl2引脚使衰减器能够实现全范围模拟衰减,仅牺牲一点点输入IP3性能。特性
- Wide Bandwidth
- 10GHz to 40GHz (HMC985ALP4KE)
- 20GHz to 50GHz (HMC985A)
- +32dB input IP3 linearity
- 35dB attenuation range
- No external matching
- Package Size
- 24-lead 4mm x 4mm SMT package
- 2.78mm x 1.41mm x 0.1mm (HMC985A) die size
应用
- Point-to-point radio
- VSAT radio
- Test instrumentation
- Microwave sensors
- Military, ECM, and radar
Functional Block Diagram
发布日期: 2017-07-12
| 更新日期: 2022-04-18
