在由多达128个节点组成的网络上可支持高达250kbaud的数据速率。驱动器输出端上的受控转换速率用于控制EMI辐射,并改善不当端接线路上的数据传输完整性。驱动器的规格要求其必须能够在采用廉价电缆(具有低至72Ω的特征阻抗)的情况下正常运作。
特性
- 提供了至±60V的过压线路故障保护
- 与LTC485和LTC491引脚兼容
- 高输入阻抗支持多达128个节点
- 不会因ESD而发生损坏或闭锁现象
- IEC-1000-4-2 4级:±15kV空气放电
- IEC-1000-4-2 2级:±4kV接触放电
- 用于EMI辐射控制的受控转换速率
- 对于浮动、短路或待用输入,接收器输出保证为高电平状态
- 当被关断或断电时,输出呈高阻抗状态
- 驱动低成本、低阻抗电缆
- 在所有输出端上均提供短路保护
- 热关断保护
- 确保可在高达125°C的温度下工作
应用
- 工业控制数据网络
- CAN总线应用
- 暖通空调控制
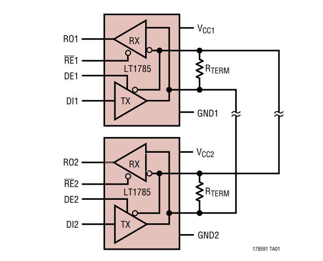
典型应用电路
发布日期: 2019-06-10
| 更新日期: 2024-02-19

