特性
- 具有3种增益选项的缓冲输出:10V/V、20V/V、50V/V
- 最大增益精度:0.5%
- –5V至80V输入共模电压范围
- AC CMRR > 80dB (100kHz)
- 最大输入失调电压:1.5mV
- –3dB带宽:2MHz
- 在整个共模范围内实现顺畅的连续操作
- 4kV HBM容差和1kV CDM容差
- 低功耗关断:< 10µA
- 工作温度范围:-55°C至150°C
- 8引脚MSOP和8引脚SO(窄体)封装
- 8引脚MSOP引脚分配选项,适用于FMEA
- 符合汽车应用类AEC-Q100标准
应用
- 高侧或低侧电流检测
- H桥电机控制
- 螺线管电流检测
- 高压数据采集
- PWM控制环路
- 保险丝/MOSFET监视
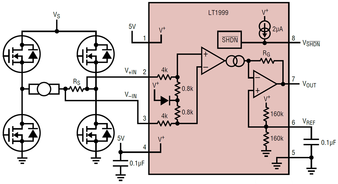
典型应用
发布日期: 2019-11-12
| 更新日期: 2024-03-06

