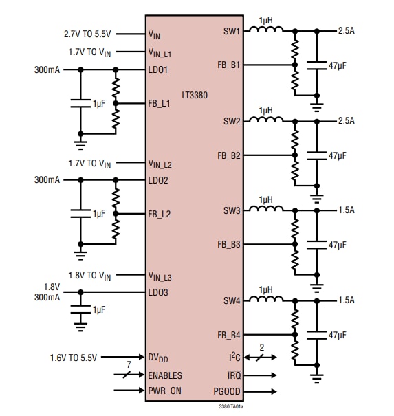
特性
- 四通道(2x 1.5A和2x 2.5A)I2C可调节高效降压直流/直流转换器
- 三个300mA LDO稳压器(2个可调)
- 独立使能引脚搭接或I2C排序
- 可编程自主掉电控制
- 警告和故障
- IRQ引脚和IRQ状态寄存器
- 电源良好引脚和状态寄存器
- 工作温度TJ :+150°C (LT3380H)
- 动态电压调节
- 开关频率:可选2.25MHz或1.12MHz
- 待机电流:12 µA
- 侧面可湿40引脚 6mm × 6mm QFN封装
应用
- 汽车
- 工业
- 通信
- 通用多通道电源
典型应用
发布日期: 2020-04-23
| 更新日期: 2024-09-30

