LT3942使用可选的高侧PMOS开关提供LED电流调节,实现高达128:1的内部PWM调光和5000:1的外部PWM调光。CTRL引脚提供灵活的20:1模拟调光,在100mV满量程下具有±2.5%的LED电流调节精度。强大的故障保护机制可以检测LED开路或短路情况,在此期间LT3942将处于重试、闩锁状态或保持运行状态。
特性
- 4开关单电感器架构可使VIN 大于、小于或等于VOUT
- 专有的峰值-降压/峰值-升压电流模式
- 输入电压范围:3V至36V
- 输出电压范围:0V至36V
- ±1.5%输出电压调节
- ±3% LED电流调节
- 5000:1外部和128:1内部PWM调光
- 轨到轨LED电流检测和监控输出
- 带故障报告功能的开路和短路LED保护
- 300kHz至2MHz固定开关频率,可实现与外部频率的同步
- 无闪烁扩频,用于实现低EMI
- 采用28引脚QFN封装 (4mm × 5mm)
应用
- 通用LED驱动器
- 汽车和工业照明
- 具有精确限流值的稳压器
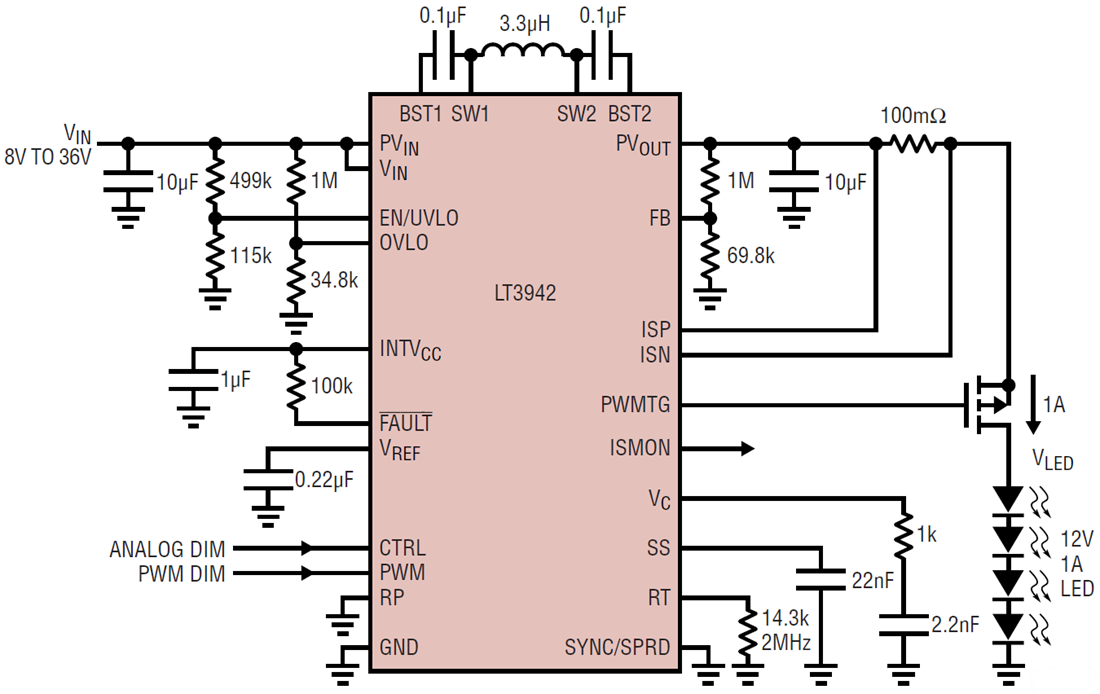
典型应用
发布日期: 2019-11-07
| 更新日期: 2024-03-04

