当用于配置差分或差分增益时,LT5401匹配电阻器网络的完美比率匹配可确保实现分立式无源元件难以实现的高CMRR、低增益误差和低增益漂移水平。这种高精度可在许多应用中降低校准要求,并可提供比±0.01%分立式解决方案高10倍的性能。
LT5401采用紧凑的10引脚MSOP封装,具有裸露焊盘。这样即可在–55°C至150°C的温度范围内提高热性能。
特性
- 优化用于搭配全差分和差分放大器使用
- 完美匹配
- 电阻比匹配:±0.003%(最大值)
- CMRR:96.5dB(最小值)
- 增益误差:±25ppm(最大值)
- 匹配温度漂移:±0.5ppm/°C(最大值)
- 绝对电阻值温度漂移:8ppm/°C
- 工作电压:35V(±36V绝对最大值)
- 长期稳定性:<8ppm(6500小时)
- 具有ESD保护的输入
- 工作温度范围:-55°C至150°C
- 10引脚MSOP封装
应用
- 全差分放大器
- 差分放大器
- 基准分频器
- 精密加法/减法
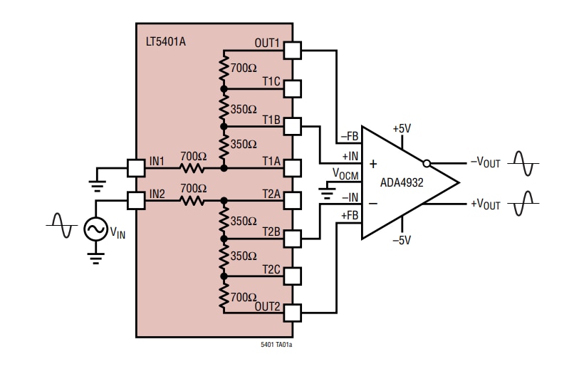
典型应用
发布日期: 2019-12-02
| 更新日期: 2024-02-28

