LT6372-0.2/1仪表放大器具有集成输入RFI滤波器、输出钳位和输出电平移位。这些输出钳位引脚限制可施加到ADC输入的电压。LT6372-0.2/1的输入端集成了EMI滤波功能,可在出现恶劣的射频干扰时保持高精度。
LT6372-0.2/1仪表放大器采用紧凑型MS16E和20引脚3mm × 4mm QFN封装。这些仪表放大器的额定工作温度范围为-40°C至85°C和-40°C至125°C。典型应用包括桥式放大器、数据采集、热电偶放大器、应变计放大器、医疗仪器和换能器接口。
特性
- 单增益设置电阻:G=0.2至>200
- 出色的直流精度:
- 最大输入失调电压:60μV
- 输入失调电压漂移:0.6µV/°C(最大值)
- 低增益误差:0.012%(最大值,G=0.2)
- 低增益漂移:35ppm/°C(最大值,G>0.2)
- 高直流共模抑制比 (CMRR):80dB(最小值,G=0.2)
- 集成输出钳位
- 集成输出电平移位
- 输入偏置电流:800pA(最大值)
- -3dB带宽:4MHz (G=0.2)
- 低噪声:
- 0.1Hz至10Hz噪声:0.2μVP-P
- 1kHz电压噪声:7nV/√Hz
- 集成输入射频干扰 (RFI) 滤波器
- 宽电源电压范围:4.75V至35V
- 温度范围:-40°C至85°C和-40°C至125°C
- MS16E和20引脚3mm x 4mm QFN封装
应用
- 桥式放大器
- 数据采集
- 热电偶放大器
- 应力计放大器
- 医疗仪器
- 传感器接口
- 差分至单端转换
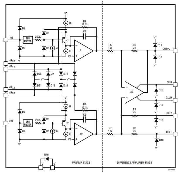
框图
应用电路
发布日期: 2021-01-12
| 更新日期: 2022-03-11

