特性
- ±230V共模电压范围
- CMRR:90dB(最小值)
- 0.0075% (75ppm) 最大增益误差
- 200μV最大输入失调电压
- 1ppm/°C最大增益误差漂移
- 2ppm最大增益非线性
- 宽电源电压范围:3.3V - 50V
- 额定温度范围:-40°C至125°C
- 轨到轨输出
- 350µA电源电流
- 可选的内部电阻分压器比
- 105nV/√Hz输入参考噪声(电阻分压器 = 3.1)
- 300kHz和-3dB带宽(电阻分压器 = 3.1)
- 160kHz和-3dB带宽(电阻分压器 = 10.3)
- 低功耗停机模式:20μA(仅限DFN封装)
- 节省空间的MSOP和DFN封装
应用
- 精密差分放大器
- 双向宽共模范围电流检测
- 高侧或低侧电流检测
- 隔离式电路的替代方案
- 高电压至低电压电平转换
典型应用电路
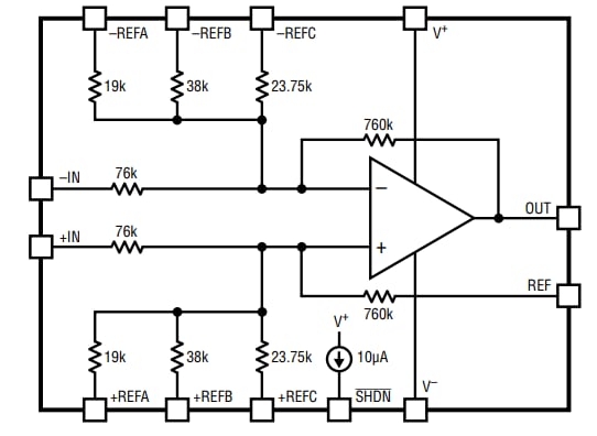
框图
发布日期: 2018-10-04
| 更新日期: 2023-03-02

