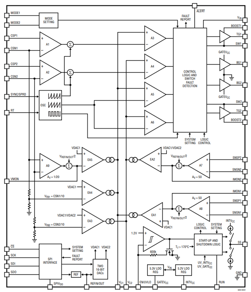
LT8204具有双路双向轨到轨精密 (200μV VOS) 负载电流监控器、输出电压监控器和双路片上16位单调数模转换器 (DAC)。搭配串行外设接口 (SPI),可以精确编程设定输出电流或电压。Analog Devices LT8204还可监控系统运行状态,并在发生故障(例如负载连接丢失、外部MOSFET器件故障)时通过SPI接口进行报告。
特性
- 全桥或双半桥
- 双路双向、轨到轨精密电流监控器 (200μV VOS)
- 双路片上16位单调DAC
- 4线SPI,具有错误检测和校正功能
- 四路N沟道MOSFET 5.3V栅极驱动器
- 可配置输出电流或电压调节
- 可配置PWM控制方法,实现环路稳定性
- 固定开关频率,具有SYNC和扩频功能
- 通过SPI接口进行系统监控和故障报告
- 38引脚塑料TSSOP封装
- 符合RoHS指令
应用
- 电磁阀和电感负载调节
- 有源或半有源衰减控制
- 热电冷却器 (TEC) 控制
- 振动控制
规范
- 输入电压范围:5.5V至40V
- 固定开关频率范围:100kHz至1MHz
- 最大静态电流:10mA(非开关),5mA(典型值)
- 待机电流:500µA(典型值)
- 关断电流:2µA(最大值), 1µA(典型值)
- 工作结温范围:-40°C至+150°C
典型应用
框图
发布日期: 2023-08-25
| 更新日期: 2023-08-30

