LT8228具有双向输入和输出电流限制以及独立电流监控功能。容错性无主器件电流共享支持在保持电流共享精度的同时,添加或移除任何并联的LT8228。可通过FAULT和REPORT引脚提供内部和外部故障诊断和报告功能。LT8228采用38引脚TSSOP封装。
特性
- 双向电压或电流调节
- 双向反向电流保护
- 输入和输出负电压保护至–60V
- 双向浪涌电流限制和升压输出短路保护
- MOSFET开关短路检测和保护
- 10V栅极驱动
- 宽输入和输出电压范围:高达100V
- 反馈电压容差:±1.0%(整个温度范围内)
- 双向可编程电流调节和监控
- 各种自检、诊断和故障报告
- 可编程固定或可同步开关频率:80kHz至600kHz
- 可编程软启动和动态电流限制
- 容错性无主器件电流共享
应用
- 双电池汽车和工业系统
- 大功率系统备份和电源稳定
- “N+1”冗余、高可靠性电源
- 电源中断保护系统
视频
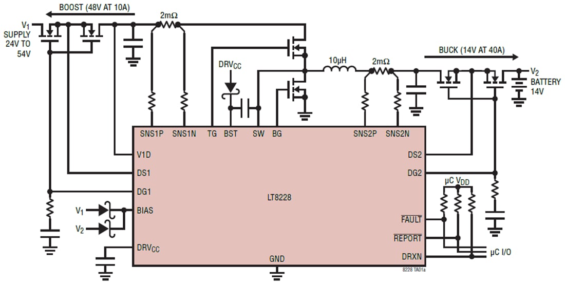
典型应用
发布日期: 2019-11-26
| 更新日期: 2025-02-17

