特性
- 4开关单电感器架构允许VIN 高于、低于或等于VOUT
- 专有的降压-升压峰值电流模式
- 30µA IQ 低纹波突发模式
- 输出电压精度: 1V≤VOUT≤60V (±2%)
- 100kHz至650kHz可调及可锁相
- 强制连续模式或脉冲跳跃模式运行
- ±5%输入或输出平均电流精度
- 分离式栅极驱动器输出
- 可选死区时间设置
- 无引线均流
- 扩频调频
- 集成自举二极管
- 关断期间VOUT 与VIN断开
- 38引线薄型收缩小外形封装 (TSSOP),带裸露焊盘
- 符合汽车标准
应用
- 汽车、工业和电信系统
- 通用降压-升压电源
- 大功率电池供电系统
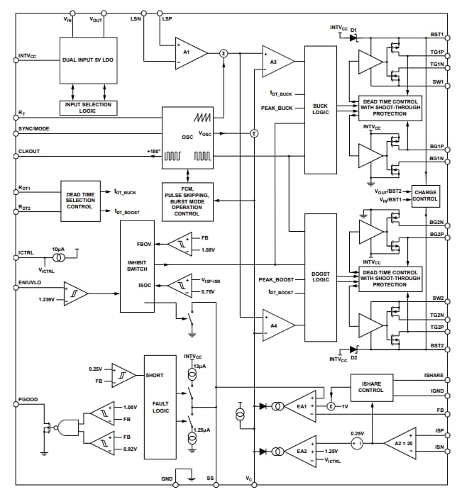
框图
典型应用电路图
发布日期: 2025-01-28
| 更新日期: 2025-03-12

