LT8386采用Silent Switcher®技术,设计用于以高效率最大限度地降低EMI/EMC辐射。开关频率可通过RT引脚上的外部电阻器或SYNC/SPRD引脚上施加的外部时钟在200kHz至2MHz范围编程。启用可选的扩频调制时,频率变化范围为100%至125% ,以降低 EMI。
Analog Devices LT8386包括一个外部高侧PMOS驱动器,用于PWM调光。LT8386的额定电压为60V,与LT3922和LT3922-1引脚对引脚兼容。
特性
- LED电流调节
- 输出电压调节:2.5%
- PWM调光:50,000: 1(100Hz时)
- 512:1内部PWM调光
- 扩频调频
- Silent Switcher架构,实现超低EMI
- 以升压、降压模式和降压-升压模式运行
- 输入电压范围:4V至56V
- 高达52V LED灯串电压
- 自适应峰值开关电流限制:高达5A(低VIN)
- 200kHz至2MHz,具有SYNC功能
- 模拟或占空比LED电流控制
- 开路/短路LED保护和故障指示
- 28引脚4mm×5mm LQFN封装
- 符合汽车应用类AEC-Q100标准
应用
- 汽车和工业照明
- 平视显示器 (HUD)/机器视觉
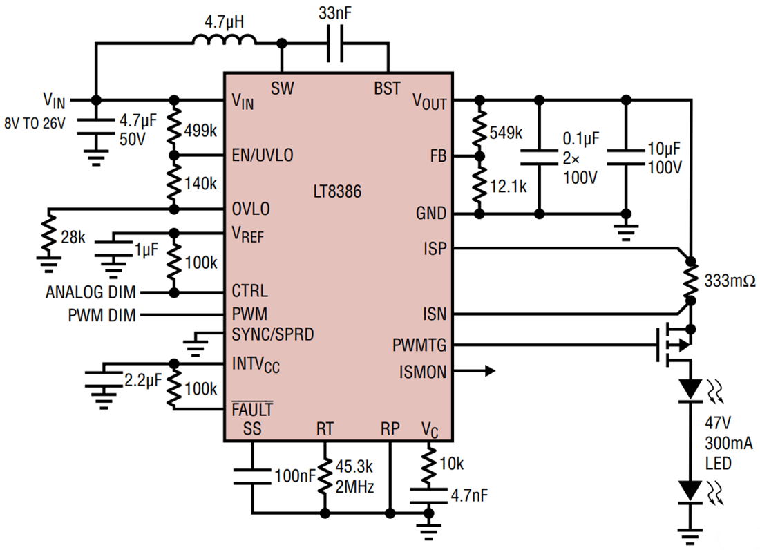
典型应用
发布日期: 2021-07-09
| 更新日期: 2022-03-11

