该控制器具有4V至60V的输入电压范围、0V至60V的输出电压能力,并可在工作区之间实现无缝低噪声转换。LT8390控制器非常适合用于汽车、工业、电信以及电池供电系统中的稳压器、电池和超级电容器充电器应用。
特性
- 四开关单电感器架构允许VIN高于、低于或等于VOUT
- 同步开关:效率高达98%
- 专有的峰值-降压峰值-升压电流模式
- 宽VIN范围:4V至60V
- ±1.5%输出电压精度:1V ≤ VOUT ≤ 60V
- 利用监视器可实现±3%的输入或输出电流精度
- 扩频调制用于实现低EMI
- 高侧PMOS负载开关驱动器
- 集成式自举二极管
- 在降压或升压中没有上管MOSFET刷新噪声
- 可调和可同步频率范围:150kHz至650kHz
- 关断期间VOUT与VIN断接
- 采用带裸露焊盘的28引脚TSSOP封装和
- 28引脚QFN封装 (4mm x 5mm)
应用
- 汽车、工业、电信系统
- 大功率电池供电系统
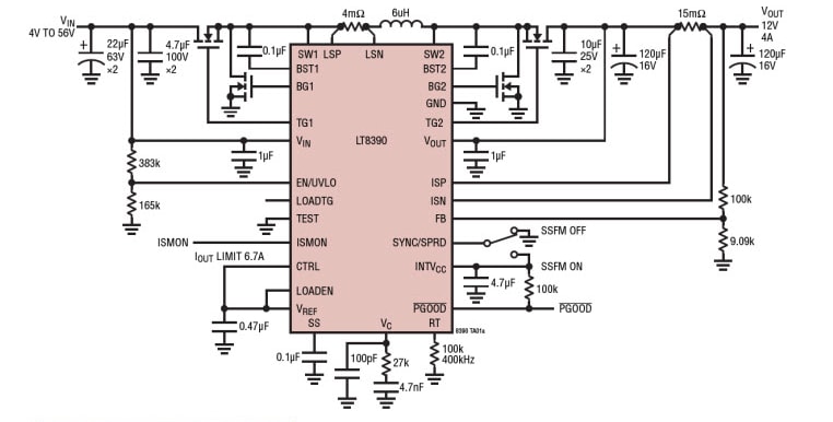
典型应用
Technical Articles
Eliminate Switching Noise with 4-Switch Buck-Boost Controller with Pass-Thru Capability
There are several DC-to-DC converter topologies that can perform both step-up and step-down operations, from SEPIC to 4-switch topologies, but none of these solutions pass the input voltage directly to the output without actively switching - until now, that is.
4-Switch Buck-Boost Controller Layout for Low Emissions
Automotive application circuits must meet strict EMI standards to avoid interfering with broadcast and mobile service frequency bands so careful layout is imperative.
Power By Linear
发布日期: 2017-04-28
| 更新日期: 2024-01-12

