可变频率边界模式开关操作最大限度地提高了宽输入电压范围内的效率。低纹波突发模式操作可在非常低的输出电流条件下实现高运作效率,同时保持输出纹波低于5mV。软启动特性可控制输出电压的斜坡上升速率,从而消除了启动期间的输入电流浪涌,同时还实现了输出跟踪。当输出电压处于稳定输出的±7.5%以内时,一个电源良好标记将会发出指示信号。欠压闭锁可采用EN/UV引脚进行编程。关断模式可将总静态电流减小至<5μA。
特性
- 超宽输入电压范围:3V至100V
- 边界模式开关操作用于实现最高的效率
- 输出电压范围:0.8V至60V
- 内部同步开关
- 突发模式 (Burst Mode®) 操作:16µA IQ(12VIN至5VOUT;7μA IQ(48VIN至5VOUT)
- 低压差:99%最大占空比
- 峰值电流模式控制
- 可编程欠压闭锁
- 电源良好标记
- 灵活的输出电压跟踪
- 短路保护
- 低关断电流:5µA
- 可耐受引脚开路/短路故障
- 具有高压引脚间隔的散热增强型20引脚TSSOP封装
应用
- 汽车电源
- 电信电源
- 分布式电源调节
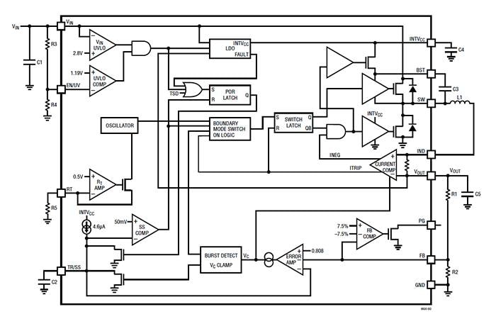
框图
发布日期: 2017-04-25
| 更新日期: 2025-01-29

