Analog Devices Inc. LT8650S同步降压型Silent Switcher 2
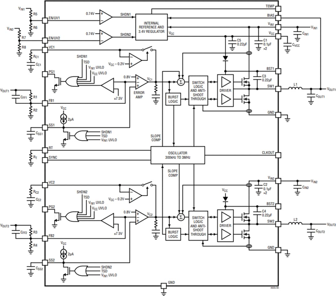
Analog Devices Inc. LT8650S同步降压型Silent Switcher 2是一款双通道降压型稳压器,具有3V至42V的宽输入电压范围,是汽车、工业和其他降压型应用的理想选择。LT8650S具有6.2μA的低静态电流和稳压输出,该特性在汽车环境中十分关键,因为即使汽车未运行,常开系统也会耗尽电池电量。得益于Silent Switcher®2架构,可以最大限度地降低EMI辐射,同时在高开关频率下提供高效率。其中包括集成旁路电容器以优化高频电流环路,因此通过消除布局敏感性就能轻松实现产品广告中宣称的EMI性能。LT8650S可从两个通道提供高达4A的连续电流,以及依靠每个通道支持高达6A的负载。借助快速、干净、低过冲开关边缘,即使在高开关频率下也能实现高效率运作,因而造就了较小的总体解决方案尺寸。借助具有40ns最小导通时间的峰值电流模式控制,可在高开关频率条件下实现高降压比。
突发模式操作支持在低输出电流条件下实现高效率,强制连续模式在整个输出负载范围内允许执行固定开关频率操作,而扩展频谱操作则能够进一步降低EMI辐射。外部VC引脚提供最佳的环路补偿以实现快速瞬态响应。另外,这些VC引脚还可用于均流,而CLKOUT引脚可使两个LT8650S芯片同步以产生4相、16A电源。
特性
- Silent Switcher 2架构
- 任何PCB n上的超低EMI均可消除PCB布局敏感性
- 内部旁路电容器降低了辐射EMI
- 可选的扩频调制
- 从各通道同时提供4A直流电源
- 在任一个通道上提供高达6A电流
- 超低静态电流BurstMode®操作
- 6.2μA IQ(调节12VIN至5VOUT1和3.3VOUT2)
- 输出纹波<10mVP-P
- 可选外部VC引脚:快速瞬态响应和均流(额外50µA IQ/通道)
- 强制连续模式
- 在高频下实现高效率
- 94.6%效率 (2A),5VOUT(12VIN,2MHz)
- 93.3%效率 (4A),5VOUT(12VIN,2MHz)
- 最短快速导通时间:40ns
- 宽输入电压范围:3.0V至42V
- 可调及可同步频率范围:300kHz至3MHz
- 封装类型:LQFN-32
- 封装尺寸:4mm x 6mm
- 符合RoHS指令和WEEE标准
应用
- 通用降压
- 汽车和工业电源
视频
适用于恶劣汽车环境的综合供电系统设计
汽车应用的电源必须在恶劣条件下实现无故障运行 - 设计人员必须考虑所有紧急情况,包括负载突降、冷启动、电池反极性、双电池跳跃、尖峰和LV 124、ISO 7637-2、ISO 17650-2和TL82066中定义的其他瞬变,以及机械振动、噪声、极宽的温度范围等。本文重点介绍汽车电源规范的关键要求和满足汽车规范的解决方案。
框图
典型应用电路
发布日期: 2019-05-22
| 更新日期: 2025-06-03
