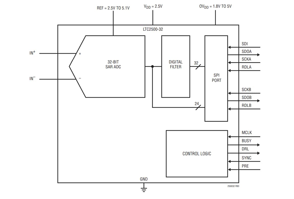
LTC2500-32同时提供两个输出代码,包括一个32位数字滤波高精度低噪声代码和一个32位无延迟复合代码。可配置数字滤波器通过对来自SAR ADC内核的数据流实施低通滤波和降频采样以减少测量噪声,因此产生了32位滤波输出代码。32位复合代码由一个超范围检测位、一个代表差分输入电压的24位代码和一个代表共模输入电压的7位代码组成。每个转换周期都提供32位复合代码,从而消除了延迟周期。
数字滤波器可配置性高(通过SPI兼容型接口实现),具有诸多适合多种应用的独特滤波器类型。数字低通滤波器放宽了对于模拟抗混叠的要求。采用SYNC引脚可以轻松实现多个LTC2500-32器件的同步。
特性
- ±0.5ppm INL(典型值)
- 确保32位无失码
- 可配置数字滤波器,具有同步功能
- 减轻了抗混叠滤波器要求
- 双路输出32位SAR模数转换器
- 32位数字滤波低噪声输出
- 24位差分+ 7位共模1Msps输出和超范围检测功能
- 宽输入共模范围
- 在1Msps时SNR的典型值为104dB
- 61sps时的动态范围为148dB(典型值)
- 保证工作温度达85°C
- 1.8V至5V SPI兼容串行I/O
- 低功耗:24mW (1Msps)
- 24引脚7mm x 4mm DFN封装
应用
- 地震学
- 能源勘探
- 自动化测试设备
- 高精度仪器仪表
Additional Resources
Precision data acquisition for Seismology and Energy Exploration
This article discusses how to design a low noise and low power DAQ solution for seismology and energy exploration.
框图
典型应用
发布日期: 2019-03-21
| 更新日期: 2023-08-21

