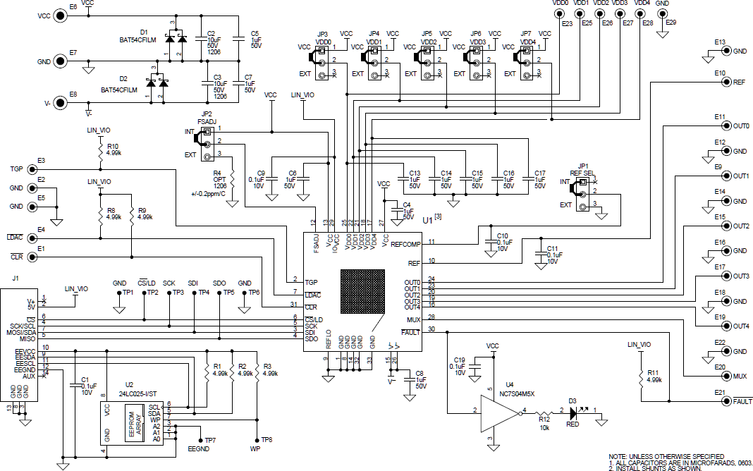
DC2903A设有预安装的LTC2672 DAC,采用紧凑型LFCSP32封装,以及用于所有关键信号的测试点。通过以J1连接器连接的串行外设接口 (SPI) 对DC2903A进行控制,该连接器设计用于连接Linduino® One DC2026C演示板。Linduino One是一款Arduino兼容板,可通过USB电缆连接到基于Windows的PC。然后,QuikEval评估软件可用于提供直观的图形用户界面 (GUI),该界面通过SPI接口配置和控制LTC2672。
特性
- LTC2672 16位、5通道数模转换器
- 设计用于搭配Linduino One (DC2026C) 演示板使用
- 与QuikEval GUI评估软件兼容
- 测试柱,用于所有关键信号
- 14引脚SPI接口连接器
- 配置跳线
- 电流源输出(VDD0至VDD4)
- 内部或外部基准 (REF SEL)
- 满量程电流调整引脚 (FSADJ)
套件内容
- DC2903A评估板
- 带状电缆,用于连接Linduino One (DC2026C) 演示板
必要设备
- Linduino One (DC2026C) 演示板(必须单独购买)
- QuikEval评估软件
- 基于Windows的PC
- 电流表
软件
LTC2672评估板 (DC2903A) 设计用于搭配Linduino One (DC2026C) 演示板(不含)和QuikEval评估软件使用。所有配置和测量数据均可通过QuikEval接口进行写入和读取,从而可以方便地评估LTC2672 DAC。还提供Arduino代码示例以及设计和集成文件。
设置示例
示意图
发布日期: 2021-03-19
| 更新日期: 2022-03-11

