特性
- PROFIBUS IEC 61158-2兼容
- 防止过压线路故障至±60V
- ±52kV ESD接口引脚,±15kV所有其他引脚
- ±2kV(第4级)IEC61000-4-4快速瞬态突发
- ±25V工作共模范围
- 最大波特率:20Mbps
- 1.65V至5.5V逻辑电源,实现灵活数字连接 (LTC2877)
- 采用小型DFN和MSOP封装
- 完全平衡差分接收器阈值,具有240mV迟滞,实现卓越噪声容差和低占空比失真
- 5V电源可降至3V运行,实现低功耗低摆幅应用
- 接收器失效保护,用于开路、短路和端接情况
- 宽工作温度范围:-40°C至125°C
应用
- PROFIBUS-DP
- 工业通信网络
- RS485和RS422系统
- 3V低压差分信号
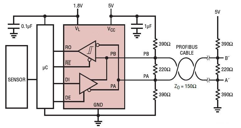
典型应用
发布日期: 2017-04-25
| 更新日期: 2022-03-11

