Analog Devices Inc. LTC2975 4通道PMBus™电源系统管理器
Analog Devices Inc. LTC2975 4通道PMBus™ 电源系统管理器(PSM)设计用于排序、调整(伺服)、裕度调节、监控、管理故障、提供遥测功能以及创建故障记录。此系列数字电源系统管理器采用PMBus兼容命令集,支持电源排序、精密负载点电压调整和裕度调节。可编程故障响应可禁用电源,检测到故障后可选重试。导致电源停用的故障会自动触发黑匣子EEPROM存储器记录故障状态及相关遥测。LTC2975电源系统管理器内置有16位模数转换器(ADC),可监控四个输出电压、四个输出电流、四个外部温度、输入电压、输入电流和裸片温度。典型应用包括计算机、网络服务器、工业测试/测量、视频/医疗成像和高可靠性系统。特性
- 对4个电源进行排序、调整、裕度调节和监控
- 管理故障、监控遥测、创建故障记录
- 可协调跨多个LTC PSM设备的排序和故障管理
- PMBus兼容命令集
- 由LTpowerPlay® GUI提供支持
- 将故障自动记录到内置EEPROM
- 可执行自主型操作,无需额外的软件
- 电源裕度调节和修整准确度达0.25%
- 监控输入电流(±1%)并累积电能
- 每个通道具有快速OV/UV和OC监控器
- 外部温度和输入电压监控器
- 精确监控4个输出电压、4个输出电流、4个外部温度、输入电压、输入电流和内部裸片温度
- I2C/SMBus串行接口
- 可采用3.3 V或4.5 V至15 V电压供电
- 与 LTC2974 引脚兼容
- 采用64引脚9mm×9mm QFN封装
应用
- 计算机和网络服务器
- 工业测试和测量
- 视频和医疗成像
- 高可靠性系统
典型应用电路
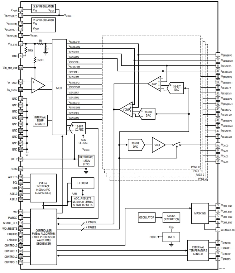
框图
发布日期: 2020-02-25
| 更新日期: 2025-03-25
