LTC3300双向多节电池平衡器具有各种故障保护特性,包括回读能力、循环冗余校验 (CRC) 错误检测、最大导通时间伏特-秒钳位和过压关断。
特性
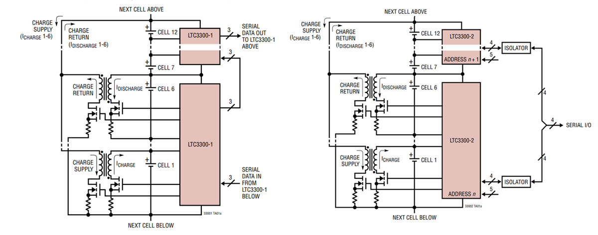
- 双向同步反激平衡多达6个串联连接的锂离子或磷酸铁锂电池单元
- 平衡电流高达10A(外部设置)
- 与LTC680x系列多单元电池堆栈监控器无缝集成
- 双向架构可最大限度地减少平衡时间并降低功耗
- 高达92%的充电传输效率
- 可堆叠架构支持1000V以上的系统
- 采用简单的2绕组变压器
- 具有4位CRC分组错误检验功能的1MHz菊花链连接串行接口
- 高噪声容限串行通信
- 各种故障保护特性
- 48引脚裸露焊盘QFN和LQFP封装
- 符合汽车应用类AEC-Q100标准
应用
- 电动汽车/插电式混合动力汽车 (HEV)
- 大功率UPS/电网能量存储系统
- 通用型多节电池的电池组
典型应用
发布日期: 2019-10-21
| 更新日期: 2024-03-07

