特性
- 可编程或可与外部时钟同步
- 可编程看门狗和上电复位延迟
- 8种灵活的配置
- IC芯片温度监控器输出
- 散热增强型48引脚7mm × 7mm QFN封装
- 延长电池运行时间
规范
- 高压降压控制器:
- 4.5V至60V VIN
- 5V/3.3V VOUT
- LV降压稳压器:
- 2.25V至5.5V INA-H
- VOUT1-4 ≥ 0.8V
- 8个1A LV降压集成功率级,可配置为2、3或4个输出通道
- 8种独特的输出配置(每通道1A至4A)
- 较低的总空载输入电源电流 (IQ):
- 仅限15µA HV控制器 (5VOUT)
- 仅限23μA HV控制器 (3.3VOUT)
- 33μA HV控制器 (3.3VOUT) 和一个LV稳压器
- 每个附加LV稳压器通道9μA
- 1MHz至3MHz工作频率(HV在1/6频率下运行)
其他资源
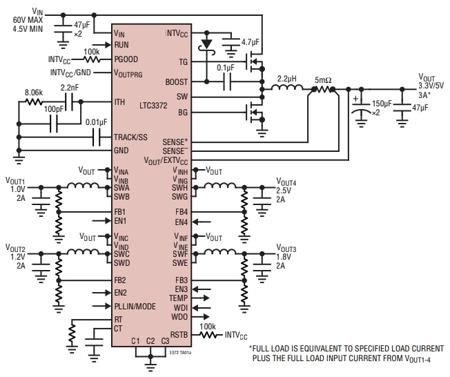
LTC3372应用电路图
LTC3372性能图
发布日期: 2019-01-14
| 更新日期: 2023-07-27

