Analog Devices Inc. LTC3871 PolyPhase®控制器
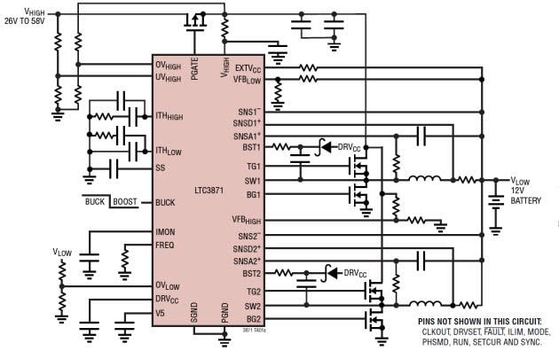
Linear Technology/Analog Devices LTC3871双向PolyPhase®同步控制器是高性能100V/30V双向两相控制器,能够在根据需要在降压或升压模式下运行。LTC3871可根据控制信号在降压模式中执行从VHIGH至VLOW的调节,以及在升压模式中实施从VLOW至VHIGH的调节。这些调节功能使LTC3871控制器非常适合用于汽车双电池系统。该控制器通过精确电流编程环路来调节在任一方向上传输的最大电流。电流编程环路允许两个电池通过将一个电池的能量转换到另一个电池来同时向负载提供能量。LTC3871采用专有恒定频率电流模式架构改善了信噪比。这种增强型信噪比能够实现低噪声运行,并可实现出色的相间电流匹配。LTC3871的额外特性包括连续或断续运行、OV/UV监控器、精确输出电流监控、降压和升压运行的独立回路补偿以及过电流保护。特性
- 独特架构允许动态调节输入电压、输出电压或电流
- VHIGH电压达100V
- VLOW电压达30V
- 同步整流:效率高达97%
- LTC专有高级电流模式控制
- 随温度变化的电压调节精度为±1%
- 降压和升压运行的精确可编程输出电流监控和调节
- 可选降压和升压电流检测极限
- 可编程DRVCC/EXTVCC优化了效率
- 可编程VHIGH UV和OV阈值
- 可编程VLOW OV阈值
- 可锁相频率:60kHz至460kHz
- 多相/多IC工作,达12相
- 可选CCM/DCM模式
- 散热增强型48引脚LQFP封装
应用
- 汽车用48V/12V双电池系统
- 备用电源系统
典型应用图
Creating a Dual-Output Voltage Rail with Source and Sink Capability for ATE Applications
This article describes a technique for producing dual-output voltage rails that deliver positive and negative rails for a device power supply (DPS) with only one bidirectional power supply. The conventional way of supplying power to DPS uses two bidirectional power supplies, one for the positive rail and one for the negative rail, which is bulky and expensive. This method offers an alternative to the traditional approach, resulting in a more compact and cost-effective solution.
发布日期: 2017-04-28
| 更新日期: 2025-07-08
