特性
- 可以安全地插入–48V带电背板中
- 使用SOA定时器来保护MOSFET
- 可编程15mV至30mV限流值检测电压,精度为2%,具有可调折返功能
- 8位至16位变速ADC,精度为0.5%
- 监控电压、电流、功率和能量
- 非易失性配置和故障记录
- 用于支持强大高压操作的浮动拓扑
- 可选择的涌流控制:dV/dt或限流值
- I2C/SMBus或单线广播接口
- 带有警报的最小/最大ADC测量值记录
- 在发出I2C命令后重启,具有可编程延迟功能
- 可调输入UV/OV阈值和滞后
- 38引脚、5mm × 7mm QFN封装
应用
- 电信基础设施
- –48V分布式电源系统
- 服务器和数据中心
- 电源监视器
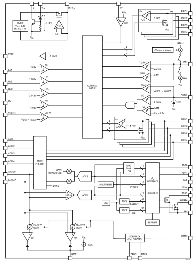
框图
发布日期: 2019-07-18
| 更新日期: 2024-03-04

