特性
- 频率范围:
- 40MHz至10GHz (LTC5582)
- 40MHz至6GHz (LTC5583)
- 100MHz至40GHz (LTC5596)
- 线性动态范围:
- 高达57dB (LTC5582)
- 高达60dB (LTC5583)
- 35dB (LTC5596)
- 为高波峰因数调制波形提供精确的RMS功率测量
- 高精度
- 整个温度范围内的精度为±0.5dB(典型值)(LTC5582和LTC5583)
- ±1dB (LTC5596)
- 在动态范围内实现低线性度误差(LTC5582)
- 2GHz时提供40dB的通道间隔离度,即使采用单端射频输入也不例外(LTC5583)
- 匹配的双通道输出:<1.25dB(典型值)(LTC5583)
- 单端或差分射频输入 (LTC5582)
- 单端射频输入—无需变压器(LTC5583)
- 差分输出提供VSWR测量(LTC5583)
- 快速包络检波器输出(LTC5583)
- 29mV/dB对数斜率(LTC5596)
- ±1dB平坦响应(200MHz至30GHz)(LTC5596)
- 快速响应时间:
- 90ns上升时间(LTC5582)
- 140ns上升时间(LTC5583)
- 低电源电流:
- 3.3V时为41.6mA(典型值)(LTC5582)
- 3.3V时为30mA(典型值)(LTC5596)
- 紧凑型封装
- 3mm×3mm DFN封装(LTC5582)
- 4mm×4mm QFN24封装(LTC5583)
- 2mm × 2mm QFN24封装(LTC5596)
应用
- LTC5582
- PA功率控制
- RMS功率测量
- 接收和发射增益控制
- 点对点微波链路
- 射频仪器
- LTE、WiMAX、W-CDMA、CDMA2K、TD-SCDMA、EDGE基站
- LTC5583
- VSWR监视器
- MIMO发射功率控制
- 基站PA控制
- 射频仪器
- 发射和接收增益控制
- LTC5596
- 射频PA发射功率控制
- RMS功率测量
- 接收和发射增益控制
- 点对点微波链路
- LTE、WiFi、WiMAX无线网络
- 仪器仪表与测量设备
- 军用无线电
LTC5596典型应用
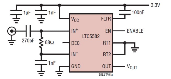
LTC5582典型应用
LTC5583框图
Power by Linear
发布日期: 2017-05-11
| 更新日期: 2022-03-25

