Analog Devices Inc. LTC6810 6通道多节电池监视器
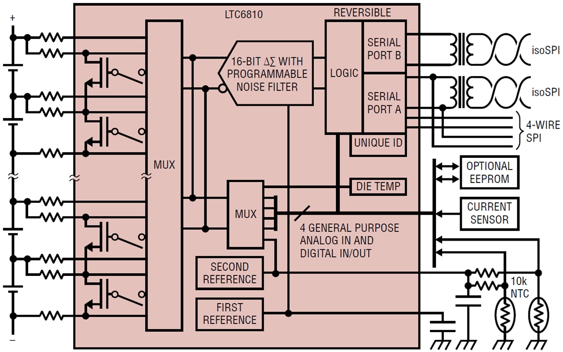
Analog Devices LTC6810 6通道多节电池监视器最多测量6节串联电池,总测量误差小于1.8mV。电池测量范围为0V至5V,因此LTC6810适用于大多数电池化学。在290μs内测量所有6节电池,可以选择更低数据采集速度,以实现高降噪。多个LTC6810-1器件可串联,对较长的高压电池串同时进行电池监控。每个LTC6810都有一个isoSPI™接口,用于高速、射频抑制、长距离通信。通过LTC6810-1,多个器件采用菊花链形式连接,一个主机处理器连接所有器件。LTC6810-1支持双向运行,即使断线也能通信。通过LTC6810-2,多个器件可以与主机处理器并联,每个器件单独寻址。LTC6810可直接由电池堆栈或独立电源供电。LTC6810包括用于每节电池的无源平衡,用于每节电池的PWM占空比控制,以及执行冗余电池测量的能力。其他特性包括板载5V稳压器、4个通用I/O线路和睡眠模式(电流消耗低至4μA)。
特性
- 最多测量6节串联电池
- 最大总测量误差:1.8mV
- 可堆叠架构支持100s电池
- 内置isoSPI接口
- 290μs,测量系统中所有电池
- 1Mb隔离式串行通信
- 采用单双绞线,最长100米
- 低EMI易感性和辐射
- 双向,用于断开保护
- 性能保证低至5V
- 执行冗余电池测量
- 专门用于符合ISO 26262标准的系统
- 无源电池平衡,可编程脉冲宽度调制
- 4个通用数字I/O或模拟输入
- 温度或其他传感器输入
- 可配置为I2C或SPI主机
- 4μA睡眠模式电源电流
- 44引脚SSOP封装
应用
- 电动汽车与混合动力汽车
- 备用电池系统
- 电网储能
- 大功率便携式设备
典型应用
视频
发布日期: 2019-07-24
| 更新日期: 2024-03-01
